Станкопромышленная компания

Продажа и сервис станков для обработки металла. 
Москва
Москва
Челябинск
+7 (495) 640-76-26
пн-пт 9:00 до 20:00
Заказать звонок
Головинское шоссе 13 строение 1
Компания
  • О компании
  • Партнеры
  • Сотрудники
  • Реквизиты
Каталог
  • Гильотины, ножницы, угловырубные
    Гильотины, ножницы, угловырубные
    • Ручные станки
    • Гильотины электромеханические
    • Гильотины гидравлические
    • Пресс-ножницы
  • Листогибочные прессы
    Листогибочные прессы
    • Гидравлические вертикальные
    • Сервопрессы
    • Тандемные листогибы
    • Горизонтальные мини прессы
    • Инструмент для гибочного пресса
    • Автоматические панелегибы
  • Поворотные листогибы
    Поворотные листогибы
    • Ручные
    • Электромеханические
  • Вальцы
    Вальцы
    • 4-х валковые гидравлические вальцовочные станки
    • 3-х валковые гидравлические вальцовочные станки
    • 3-х валковые электромеханические вальцовочные станки
    • 3-х валковые ручные вальцы
  • Станки для воздуховодов
    Станки для воздуховодов
    • Линии гибки
    • Тоннельная сборка
    • Спирально-навивные
    • Сборщики сегментных отводов
    • Зиговочные станки
    • Фальцепрокатные станки
    • Фальцеосадочные станки
    • Нанесение ребер жесткости
    • Кромкогибы
  • Станки для фасадных кассет
    Станки для фасадных кассет
    • Резка заготовок
    • Вырубка углов
    • Гибка кассет
  • Лазерное оборудование
    Лазерное оборудование
    • Станки лазерной резки
    • Лазерные излучатели
    • Лазерная маркировка и гравировка
    • Лазерная сварка и очистка
  • Плазменная, газовая резка
    Плазменная, газовая резка
    • Станки плазменной резки
  • Ленточнопильные станки
    Ленточнопильные станки
    • Консольные ручные
    • Консольные с гидроразгрузкой
    • Консольные полуавтоматические
    • Двухколонные полуавтоматические
    • Консольные автоматические
    • Двухколонные автоматические
  • Трубогибы и профилегибы
    Трубогибы и профилегибы
    • Профилегибочные станки
    • Трубогибы бездорновые
    • Трубогибы с дорном
  • Штампование и перфорация
    Штампование и перфорация
    • Механические прессы
    • Координатно-пробивные станки
  • Металлорежущие cтанки
    Металлорежущие cтанки
    • Токарные станки
    • Фрезерные станки
    • Сверлильные станки
Сервис
  • Пусконаладочные работы
    • Пусконаладка станков
    • Обучение персонала
  • Сервис плазменных станков
    • Диагностика плазменной резки
    • Модернизация плазменной резки
    • Срочный ремонт станков плазменной резки
  • Оснастка для прессов
    • Листогибочный инструмент для прессов
  • Расходники
    • Ленточные полотна
    • Промышленные ножи
    • Расходники для лазера
    • Расходники для плазмы
  • Финансовые услуги
    • Лизинг станков
  • Подбор станков
    • Посещение производителя
Проекты
  • Cтанки для вентиляции
  • Вальцы
  • Гибочное оборудование
  • Гильотинные ножницы
  • Лазерная резка
  • Металлорежущие станки
  • Плазменная резка
  • Сервис
  • Трубогибочное, профилегибы
Информация
  • Акции
  • Новости
  • Статьи
  • Вопрос ответ
Контакты
    Станкопромышленная компания
    Компания
    • О компании
    • Партнеры
    • Сотрудники
    • Реквизиты
    Каталог
    • Гильотины, ножницы, угловырубные
      Гильотины, ножницы, угловырубные
      • Ручные станки
      • Гильотины электромеханические
      • Гильотины гидравлические
      • Пресс-ножницы
    • Листогибочные прессы
      Листогибочные прессы
      • Гидравлические вертикальные
      • Сервопрессы
      • Тандемные листогибы
      • Горизонтальные мини прессы
      • Инструмент для гибочного пресса
      • Автоматические панелегибы
    • Поворотные листогибы
      Поворотные листогибы
      • Ручные
      • Электромеханические
    • Вальцы
      Вальцы
      • 4-х валковые гидравлические вальцовочные станки
      • 3-х валковые гидравлические вальцовочные станки
      • 3-х валковые электромеханические вальцовочные станки
      • 3-х валковые ручные вальцы
    • Станки для воздуховодов
      Станки для воздуховодов
      • Линии гибки
      • Тоннельная сборка
      • Спирально-навивные
      • Сборщики сегментных отводов
      • Зиговочные станки
      • Фальцепрокатные станки
      • Фальцеосадочные станки
      • Нанесение ребер жесткости
      • Кромкогибы
    • Станки для фасадных кассет
      Станки для фасадных кассет
      • Резка заготовок
      • Вырубка углов
      • Гибка кассет
    • Лазерное оборудование
      Лазерное оборудование
      • Станки лазерной резки
      • Лазерные излучатели
      • Лазерная маркировка и гравировка
      • Лазерная сварка и очистка
    • Плазменная, газовая резка
      Плазменная, газовая резка
      • Станки плазменной резки
    • Ленточнопильные станки
      Ленточнопильные станки
      • Консольные ручные
      • Консольные с гидроразгрузкой
      • Консольные полуавтоматические
      • Двухколонные полуавтоматические
      • Консольные автоматические
      • Двухколонные автоматические
    • Трубогибы и профилегибы
      Трубогибы и профилегибы
      • Профилегибочные станки
      • Трубогибы бездорновые
      • Трубогибы с дорном
    • Штампование и перфорация
      Штампование и перфорация
      • Механические прессы
      • Координатно-пробивные станки
    • Металлорежущие cтанки
      Металлорежущие cтанки
      • Токарные станки
      • Фрезерные станки
      • Сверлильные станки
    Сервис
    • Пусконаладочные работы
      • Пусконаладка станков
      • Обучение персонала
    • Сервис плазменных станков
      • Диагностика плазменной резки
      • Модернизация плазменной резки
      • Срочный ремонт станков плазменной резки
    • Оснастка для прессов
      • Листогибочный инструмент для прессов
    • Расходники
      • Ленточные полотна
      • Промышленные ножи
      • Расходники для лазера
      • Расходники для плазмы
    • Финансовые услуги
      • Лизинг станков
    • Подбор станков
      • Посещение производителя
    Проекты
    • Cтанки для вентиляции
    • Вальцы
    • Гибочное оборудование
    • Гильотинные ножницы
    • Лазерная резка
    • Металлорежущие станки
    • Плазменная резка
    • Сервис
    • Трубогибочное, профилегибы
    Информация
    • Акции
    • Новости
    • Статьи
    • Вопрос ответ
    Контакты
      Trumph Wila
      • Москва
        • Назад
        • Города
        • Москва
        • Челябинск
      • Компания
        • Назад
        • Компания
        • О компании
        • Партнеры
        • Сотрудники
        • Реквизиты
      • Каталог
        • Назад
        • Каталог
        • Гильотины, ножницы, угловырубные
          • Назад
          • Гильотины, ножницы, угловырубные
          • Ручные станки
            • Назад
            • Ручные станки
            • Сабельные гильотины
            • Ручные гильотины
            • Вырубка угла
          • Гильотины электромеханические
          • Гильотины гидравлические
            • Назад
            • Гильотины гидравлические
            • MVD Inan модель B
            • MVD Inan модель C
            • UMS модель PRO
            • Stalex
          • Пресс-ножницы
        • Листогибочные прессы
          • Назад
          • Листогибочные прессы
          • Гидравлические вертикальные
            • Назад
            • Гидравлические вертикальные
            • MVD Inan A series
            • MVD Inan B series
            • MVD Inan C series
            • MVD Inan D series
            • UMS Basic-Bend series
            • UMS Comfort series
            • UMS Pro series
          • Сервопрессы
            • Назад
            • Сервопрессы
            • MVD Inan модель S
            • MVD Inan модель E
          • Тандемные листогибы
          • Горизонтальные мини прессы
          • Инструмент для гибочного пресса
            • Назад
            • Инструмент для гибочного пресса
            • Матрицы
            • Пуансоны
          • Автоматические панелегибы
        • Поворотные листогибы
          • Назад
          • Поворотные листогибы
          • Ручные
            • Назад
            • Ручные
            • Проходные
            • Сегментированные
          • Электромеханические
            • Назад
            • Электромеханические
            • Erbend MFA series
            • Erbend MFB series
            • Erbend MFC series
            • Erbend MFD series
            • Erbend MFE series
            • Erbend MFG series
            • Erbend SFA series
        • Вальцы
          • Назад
          • Вальцы
          • 4-х валковые гидравлические вальцовочные станки
            • Назад
            • 4-х валковые гидравлические вальцовочные станки
            • Вальцовочные станки Ostas
            • Вальцовочные станки Macbending
          • 3-х валковые гидравлические вальцовочные станки
            • Назад
            • 3-х валковые гидравлические вальцовочные станки
            • Вальцы Ostas
          • 3-х валковые электромеханические вальцовочные станки
            • Назад
            • 3-х валковые электромеханические вальцовочные станки
            • Вальцовочные станки Ostas SM
            • Вальцовочные станки Ostas SMR
            • Вальцовочные станки Ostas SBM
            • Вальцовочные станки Ostas ORM
            • Вальцовочные станки Ostas SMR-S
            • Вальцовочные станки Stalex ESR
          • 3-х валковые ручные вальцы
        • Станки для воздуховодов
          • Назад
          • Станки для воздуховодов
          • Линии гибки
          • Тоннельная сборка
          • Спирально-навивные
          • Сборщики сегментных отводов
          • Зиговочные станки
          • Фальцепрокатные станки
          • Фальцеосадочные станки
          • Нанесение ребер жесткости
          • Кромкогибы
        • Станки для фасадных кассет
          • Назад
          • Станки для фасадных кассет
          • Резка заготовок
            • Назад
            • Резка заготовок
            • Ручные гильотины
            • Электромеханические гильотины
            • Лазерная резка
          • Вырубка углов
            • Назад
            • Вырубка углов
            • Ручные
            • Гидравлические
          • Гибка кассет
            • Назад
            • Гибка кассет
            • Ручные листогибы
            • Кассетогибы
        • Лазерное оборудование
          • Назад
          • Лазерное оборудование
          • Станки лазерной резки
            • Назад
            • Станки лазерной резки
            • ZYMT
            • Senfeng
            • G-WEIKE
          • Лазерные излучатели
          • Лазерная маркировка и гравировка
          • Лазерная сварка и очистка
        • Плазменная, газовая резка
          • Назад
          • Плазменная, газовая резка
          • Станки плазменной резки
        • Ленточнопильные станки
          • Назад
          • Ленточнопильные станки
          • Консольные ручные
          • Консольные с гидроразгрузкой
          • Консольные полуавтоматические
          • Двухколонные полуавтоматические
          • Консольные автоматические
          • Двухколонные автоматические
        • Трубогибы и профилегибы
          • Назад
          • Трубогибы и профилегибы
          • Профилегибочные станки
            • Назад
            • Профилегибочные станки
            • Ручные
            • Электромеханика
            • Гидравлика
          • Трубогибы бездорновые
          • Трубогибы с дорном
            • Назад
            • Трубогибы с дорном
            • Полуавтоматические трубогибы
            • Полуавтоматические трубогибы NC
            • Автоматические трубогибы с ЧПУ
        • Штампование и перфорация
          • Назад
          • Штампование и перфорация
          • Механические прессы
          • Координатно-пробивные станки
        • Металлорежущие cтанки
          • Назад
          • Металлорежущие cтанки
          • Токарные станки
            • Назад
            • Токарные станки
            • Токарные станки ЧПУ
            • Токарные автоматы ЧПУ
            • Универсальные токарные станки
            • Тяжелые токарные станки
            • Настольные токарные станки
          • Фрезерные станки
            • Назад
            • Фрезерные станки
            • Фрезерные станки с ЧПУ
            • Универсальные фрезерные станки
            • Фрезерно-сверлильные станки
            • Вертикально-фрезерные станки
            • Горизонтально-фрезерные станки
          • Сверлильные станки
            • Назад
            • Сверлильные станки
            • Настольные сверлильные станки
            • Напольные сверлильные станки
            • Радиально-сверлильные станки
      • Сервис
        • Назад
        • Сервис
        • Пусконаладочные работы
          • Назад
          • Пусконаладочные работы
          • Пусконаладка станков
          • Обучение персонала
        • Сервис плазменных станков
          • Назад
          • Сервис плазменных станков
          • Диагностика плазменной резки
          • Модернизация плазменной резки
          • Срочный ремонт станков плазменной резки
        • Оснастка для прессов
          • Назад
          • Оснастка для прессов
          • Листогибочный инструмент для прессов
        • Расходники
          • Назад
          • Расходники
          • Ленточные полотна
          • Промышленные ножи
          • Расходники для лазера
          • Расходники для плазмы
        • Финансовые услуги
          • Назад
          • Финансовые услуги
          • Лизинг станков
        • Подбор станков
          • Назад
          • Подбор станков
          • Посещение производителя
      • Проекты
        • Назад
        • Проекты
        • Cтанки для вентиляции
        • Вальцы
        • Гибочное оборудование
        • Гильотинные ножницы
        • Лазерная резка
        • Металлорежущие станки
        • Плазменная резка
        • Сервис
        • Трубогибочное, профилегибы
      • Информация
        • Назад
        • Информация
        • Акции
        • Новости
        • Статьи
        • Вопрос ответ
      • Контакты
      • Главная
      • Оборудование
      • Листогибочные прессы
      • Инструмент для гибочного пресса
      • Матрицы
      • Trumph Wila

      Trumph Wila

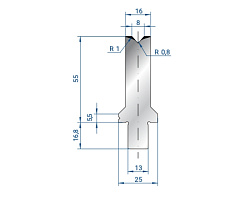
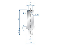
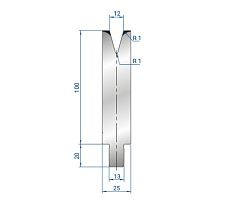
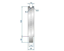
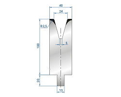
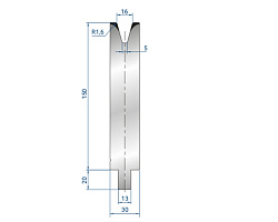
      Матрица Eurostamp 3200
      Матрица Eurostamp 3200
      Наличие уточняйте
      Цена по запросу
      Заказать
      Заказать
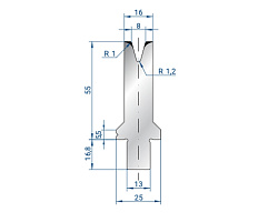
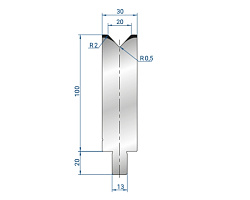
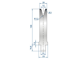
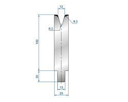
      Матрица Eurostamp 3201
      Матрица Eurostamp 3201
      Наличие уточняйте
      Цена по запросу
      Заказать
      Заказать
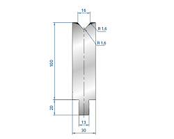
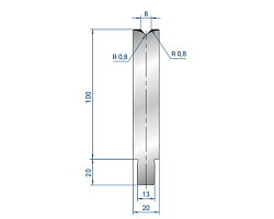
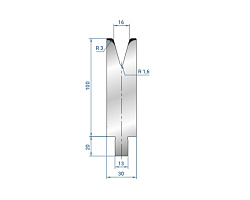
      Матрица Eurostamp 3202
      Матрица Eurostamp 3202
      Наличие уточняйте
      Цена по запросу
      Заказать
      Заказать
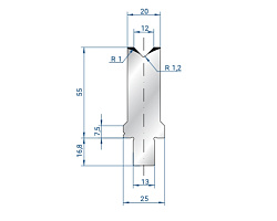
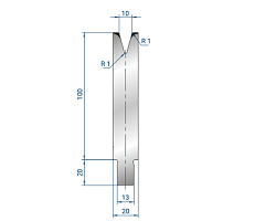
      Матрица Eurostamp 3203
      Матрица Eurostamp 3203
      Наличие уточняйте
      Цена по запросу
      Заказать
      Заказать
      Матрица Eurostamp 3204
      Матрица Eurostamp 3204
      Наличие уточняйте
      Цена по запросу
      Заказать
      Заказать
      Матрица Eurostamp 3205
      Матрица Eurostamp 3205
      Наличие уточняйте
      Цена по запросу
      Заказать
      Заказать
      Матрица Eurostamp 3215
      Матрица Eurostamp 3215
      Наличие уточняйте
      Цена по запросу
      Заказать
      Заказать
      Матрица Eurostamp 3216
      Матрица Eurostamp 3216
      Наличие уточняйте
      Цена по запросу
      Заказать
      Заказать
      Матрица Eurostamp 3217
      Матрица Eurostamp 3217
      Наличие уточняйте
      Цена по запросу
      Заказать
      Заказать
      Матрица Eurostamp 3218
      Матрица Eurostamp 3218
      Наличие уточняйте
      Цена по запросу
      Заказать
      Заказать
      Матрица Eurostamp 3225
      Матрица Eurostamp 3225
      Наличие уточняйте
      Цена по запросу
      Заказать
      Заказать
      Матрица Eurostamp 3226
      Матрица Eurostamp 3226
      Наличие уточняйте
      Цена по запросу
      Заказать
      Заказать
      Матрица Eurostamp 3227
      Матрица Eurostamp 3227
      Наличие уточняйте
      Цена по запросу
      Заказать
      Заказать
      Матрица Eurostamp 3228
      Матрица Eurostamp 3228
      Наличие уточняйте
      Цена по запросу
      Заказать
      Заказать
      Матрица Eurostamp 3244
      Матрица Eurostamp 3244
      Наличие уточняйте
      Цена по запросу
      Заказать
      Заказать
      Матрица Eurostamp 3229
      Матрица Eurostamp 3229
      Наличие уточняйте
      Цена по запросу
      Заказать
      Заказать
      Матрица Eurostamp 3230
      Матрица Eurostamp 3230
      Наличие уточняйте
      Цена по запросу
      Заказать
      Заказать
      Матрица Eurostamp 3231
      Матрица Eurostamp 3231
      Наличие уточняйте
      Цена по запросу
      Заказать
      Заказать
      Матрица Eurostamp 3232
      Матрица Eurostamp 3232
      Наличие уточняйте
      Цена по запросу
      Заказать
      Заказать
      Матрица Eurostamp 3233
      Матрица Eurostamp 3233
      Наличие уточняйте
      Цена по запросу
      Заказать
      Заказать
      Матрица Eurostamp 3234
      Матрица Eurostamp 3234
      Наличие уточняйте
      Цена по запросу
      Заказать
      Заказать
      Матрица Eurostamp 3219
      Матрица Eurostamp 3219
      Наличие уточняйте
      Цена по запросу
      Заказать
      Заказать
      Матрица Eurostamp 3220
      Матрица Eurostamp 3220
      Наличие уточняйте
      Цена по запросу
      Заказать
      Заказать
      Матрица Eurostamp 3221
      Матрица Eurostamp 3221
      Наличие уточняйте
      Цена по запросу
      Заказать
      Заказать
      Матрица Eurostamp 3222
      Матрица Eurostamp 3222
      Наличие уточняйте
      Цена по запросу
      Заказать
      Заказать
      Матрица Eurostamp 3223
      Матрица Eurostamp 3223
      Наличие уточняйте
      Цена по запросу
      Заказать
      Заказать
      Матрица Eurostamp 3224
      Матрица Eurostamp 3224
      Наличие уточняйте
      Цена по запросу
      Заказать
      Заказать
      Матрица Eurostamp 3206
      Матрица Eurostamp 3206
      Наличие уточняйте
      Цена по запросу
      Заказать
      Заказать
      Матрица Eurostamp 3207
      Матрица Eurostamp 3207
      Наличие уточняйте
      Цена по запросу
      Заказать
      Заказать
      Матрица Eurostamp 3208
      Матрица Eurostamp 3208
      Наличие уточняйте
      Цена по запросу
      Заказать
      Заказать
      Матрица Eurostamp 3209
      Матрица Eurostamp 3209
      Наличие уточняйте
      Цена по запросу
      Заказать
      Заказать
      Матрица Eurostamp 3210
      Матрица Eurostamp 3210
      Наличие уточняйте
      Цена по запросу
      Заказать
      Заказать
      Матрица Eurostamp 3211
      Матрица Eurostamp 3211
      Наличие уточняйте
      Цена по запросу
      Заказать
      Заказать
      Матрица Eurostamp 3212
      Матрица Eurostamp 3212
      Наличие уточняйте
      Цена по запросу
      Заказать
      Заказать
      Матрица Eurostamp 3213
      Матрица Eurostamp 3213
      Наличие уточняйте
      Цена по запросу
      Заказать
      Заказать
      Матрица Eurostamp 3214
      Матрица Eurostamp 3214
      Наличие уточняйте
      Цена по запросу
      Заказать
      Заказать
      Матрица Eurostamp 3235
      Матрица Eurostamp 3235
      Наличие уточняйте
      Цена по запросу
      Заказать
      Заказать
      Матрица Eurostamp 3236
      Матрица Eurostamp 3236
      Наличие уточняйте
      Цена по запросу
      Заказать
      Заказать
      Матрица Eurostamp 3237
      Матрица Eurostamp 3237
      Наличие уточняйте
      Цена по запросу
      Заказать
      Заказать
      Матрица Eurostamp 3238
      Матрица Eurostamp 3238
      Наличие уточняйте
      Цена по запросу
      Заказать
      Заказать
      Матрица Eurostamp 3239
      Матрица Eurostamp 3239
      Наличие уточняйте
      Цена по запросу
      Заказать
      Заказать
      Матрица Eurostamp 3240
      Матрица Eurostamp 3240
      Наличие уточняйте
      Цена по запросу
      Заказать
      Заказать
      Матрица Eurostamp 3123
      Матрица Eurostamp 3123
      Наличие уточняйте
      Цена по запросу
      Заказать
      Заказать
      Матрица Eurostamp 3124
      Матрица Eurostamp 3124
      Наличие уточняйте
      Цена по запросу
      Заказать
      Заказать
      Матрица Eurostamp 3125
      Матрица Eurostamp 3125
      Наличие уточняйте
      Цена по запросу
      Заказать
      Заказать
      Матрица Eurostamp 3126
      Матрица Eurostamp 3126
      Наличие уточняйте
      Цена по запросу
      Заказать
      Заказать
      Матрица Eurostamp 3127
      Матрица Eurostamp 3127
      Наличие уточняйте
      Цена по запросу
      Заказать
      Заказать
      Матрица Eurostamp 3128
      Матрица Eurostamp 3128
      Наличие уточняйте
      Цена по запросу
      Заказать
      Заказать
      Матрица Eurostamp 3129
      Матрица Eurostamp 3129
      Наличие уточняйте
      Цена по запросу
      Заказать
      Заказать
      Матрица Eurostamp 3130
      Матрица Eurostamp 3130
      Наличие уточняйте
      Цена по запросу
      Заказать
      Заказать
      Матрица Eurostamp 3131
      Матрица Eurostamp 3131
      Наличие уточняйте
      Цена по запросу
      Заказать
      Заказать
      Матрица Eurostamp 3132
      Матрица Eurostamp 3132
      Наличие уточняйте
      Цена по запросу
      Заказать
      Заказать
      Матрица Eurostamp 3133
      Матрица Eurostamp 3133
      Наличие уточняйте
      Цена по запросу
      Заказать
      Заказать
      Матрица Eurostamp 3134
      Матрица Eurostamp 3134
      Наличие уточняйте
      Цена по запросу
      Заказать
      Заказать
      Матрица Eurostamp 3135
      Матрица Eurostamp 3135
      Наличие уточняйте
      Цена по запросу
      Заказать
      Заказать
      Матрица Eurostamp 3136
      Матрица Eurostamp 3136
      Наличие уточняйте
      Цена по запросу
      Заказать
      Заказать
      Матрица Eurostamp 3137
      Матрица Eurostamp 3137
      Наличие уточняйте
      Цена по запросу
      Заказать
      Заказать
      Матрица Eurostamp 3138
      Матрица Eurostamp 3138
      Наличие уточняйте
      Цена по запросу
      Заказать
      Заказать
      Матрица Eurostamp 3139
      Матрица Eurostamp 3139
      Наличие уточняйте
      Цена по запросу
      Заказать
      Заказать
      Матрица Eurostamp 3140
      Матрица Eurostamp 3140
      Наличие уточняйте
      Цена по запросу
      Заказать
      Заказать
      Матрица Eurostamp 3141
      Матрица Eurostamp 3141
      Наличие уточняйте
      Цена по запросу
      Заказать
      Заказать
      Матрица Eurostamp 3142
      Матрица Eurostamp 3142
      Наличие уточняйте
      Цена по запросу
      Заказать
      Заказать
      Матрица Eurostamp 3143
      Матрица Eurostamp 3143
      Наличие уточняйте
      Цена по запросу
      Заказать
      Заказать
      Матрица Eurostamp 3144
      Матрица Eurostamp 3144
      Наличие уточняйте
      Цена по запросу
      Заказать
      Заказать
      Матрица Eurostamp 3145
      Матрица Eurostamp 3145
      Наличие уточняйте
      Цена по запросу
      Заказать
      Заказать
      Матрица Eurostamp 3146
      Матрица Eurostamp 3146
      Наличие уточняйте
      Цена по запросу
      Заказать
      Заказать
      Матрица Eurostamp 3147
      Матрица Eurostamp 3147
      Наличие уточняйте
      Цена по запросу
      Заказать
      Заказать
      Матрица Eurostamp 3148
      Матрица Eurostamp 3148
      Наличие уточняйте
      Цена по запросу
      Заказать
      Заказать
      Матрица Eurostamp 3149
      Матрица Eurostamp 3149
      Наличие уточняйте
      Цена по запросу
      Заказать
      Заказать
      Матрица Eurostamp 3150
      Матрица Eurostamp 3150
      Наличие уточняйте
      Цена по запросу
      Заказать
      Заказать
      Матрица Eurostamp 3151
      Матрица Eurostamp 3151
      Наличие уточняйте
      Цена по запросу
      Заказать
      Заказать
      Матрица Eurostamp 3152
      Матрица Eurostamp 3152
      Наличие уточняйте
      Цена по запросу
      Заказать
      Заказать
      Матрица Eurostamp 3153
      Матрица Eurostamp 3153
      Наличие уточняйте
      Цена по запросу
      Заказать
      Заказать
      Матрица Eurostamp 3154
      Матрица Eurostamp 3154
      Наличие уточняйте
      Цена по запросу
      Заказать
      Заказать
      Матрица Eurostamp 3155
      Матрица Eurostamp 3155
      Наличие уточняйте
      Цена по запросу
      Заказать
      Заказать
      Матрица Eurostamp 3156
      Матрица Eurostamp 3156
      Наличие уточняйте
      Цена по запросу
      Заказать
      Заказать
      Матрица Eurostamp 3270
      Матрица Eurostamp 3270
      Наличие уточняйте
      Цена по запросу
      Заказать
      Заказать
      Матрица Eurostamp 3271
      Матрица Eurostamp 3271
      Наличие уточняйте
      Цена по запросу
      Заказать
      Заказать
      Матрица Eurostamp 3272
      Матрица Eurostamp 3272
      Наличие уточняйте
      Цена по запросу
      Заказать
      Заказать
      Матрица Eurostamp 3273
      Матрица Eurostamp 3273
      Наличие уточняйте
      Цена по запросу
      Заказать
      Заказать
      Матрица Eurostamp 3274
      Матрица Eurostamp 3274
      Наличие уточняйте
      Цена по запросу
      Заказать
      Заказать
      Матрица Eurostamp 3275
      Матрица Eurostamp 3275
      Наличие уточняйте
      Цена по запросу
      Заказать
      Заказать
      Матрица Eurostamp 3250
      Матрица Eurostamp 3250
      Наличие уточняйте
      Цена по запросу
      Заказать
      Заказать
      Матрица Eurostamp 3251
      Матрица Eurostamp 3251
      Наличие уточняйте
      Цена по запросу
      Заказать
      Заказать
      Матрица Eurostamp 3252
      Матрица Eurostamp 3252
      Наличие уточняйте
      Цена по запросу
      Заказать
      Заказать
      Матрица Eurostamp 3253
      Матрица Eurostamp 3253
      Наличие уточняйте
      Цена по запросу
      Заказать
      Заказать
      Матрица Eurostamp 3254
      Матрица Eurostamp 3254
      Наличие уточняйте
      Цена по запросу
      Заказать
      Заказать
      Матрица Eurostamp 3255
      Матрица Eurostamp 3255
      Наличие уточняйте
      Цена по запросу
      Заказать
      Заказать
      Матрица Eurostamp 3276
      Матрица Eurostamp 3276
      Наличие уточняйте
      Цена по запросу
      Заказать
      Заказать
      Матрица Eurostamp 3280
      Матрица Eurostamp 3280
      Наличие уточняйте
      Цена по запросу
      Заказать
      Заказать
      Матрица Eurostamp 3281
      Матрица Eurostamp 3281
      Наличие уточняйте
      Цена по запросу
      Заказать
      Заказать
      Матрица Eurostamp 3282
      Матрица Eurostamp 3282
      Наличие уточняйте
      Цена по запросу
      Заказать
      Заказать
      Матрица Eurostamp 3283
      Матрица Eurostamp 3283
      Наличие уточняйте
      Цена по запросу
      Заказать
      Заказать
      Матрица Eurostamp 3284
      Матрица Eurostamp 3284
      Наличие уточняйте
      Цена по запросу
      Заказать
      Заказать
      Матрица Eurostamp 3285
      Матрица Eurostamp 3285
      Наличие уточняйте
      Цена по запросу
      Заказать
      Заказать
      Матрица Eurostamp 3286
      Матрица Eurostamp 3286
      Наличие уточняйте
      Цена по запросу
      Заказать
      Заказать
      Матрица Eurostamp 3260
      Матрица Eurostamp 3260
      Наличие уточняйте
      Цена по запросу
      Заказать
      Заказать
      Матрица Eurostamp 3261
      Матрица Eurostamp 3261
      Наличие уточняйте
      Цена по запросу
      Заказать
      Заказать
      Матрица Eurostamp 3262
      Матрица Eurostamp 3262
      Наличие уточняйте
      Цена по запросу
      Заказать
      Заказать
      Матрица Eurostamp 3263
      Матрица Eurostamp 3263
      Наличие уточняйте
      Цена по запросу
      Заказать
      Заказать
      Матрица Eurostamp 3264
      Матрица Eurostamp 3264
      Наличие уточняйте
      Цена по запросу
      Заказать
      Заказать
      Матрица Eurostamp 3265
      Матрица Eurostamp 3265
      Наличие уточняйте
      Цена по запросу
      Заказать
      Заказать
      • 1
      • По стр.
      • Гильотины, ножницы, угловырубные
      • Листогибочные прессы
        • Гидравлические вертикальные
        • Сервопрессы
        • Тандемные листогибы
        • Горизонтальные мини прессы
        • Инструмент для гибочного пресса
          • Матрицы
            • Amada Promecam
            • Trumph Wila
          • Пуансоны
        • Автоматические панелегибы
      • Поворотные листогибы
      • Вальцы
      • Станки для воздуховодов
      • Станки для фасадных кассет
      • Лазерное оборудование
      • Плазменная, газовая резка
      • Ленточнопильные станки
      • Трубогибы и профилегибы
      • Штампование и перфорация
      • Металлорежущие cтанки
      Фильтр по параметрам
      Статус
      Максимальная нагрузка, тонн/метр
      Ширина ручья, мм
      Угол матрицы, °
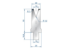
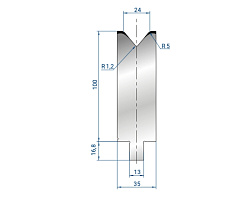
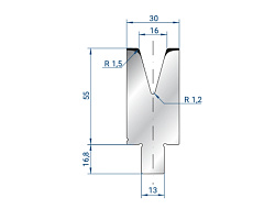
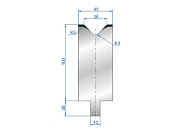
      Радиус матрицы, мм
      Высота матрицы, мм
      Выбрано 0 Показать
      Выбрано 0 Показать
      Подписывайтесь на новости и акции:
      Компания
      О компании
      Партнеры
      Сотрудники
      Реквизиты
      Каталог
      Гильотины, ножницы, угловырубные
      Листогибочные прессы
      Поворотные листогибы
      Вальцы
      Станки для воздуховодов
      Станки для фасадных кассет
      Лазерное оборудование
      Плазменная, газовая резка
      Ленточнопильные станки
      Трубогибы и профилегибы
      Штампование и перфорация
      Металлорежущие cтанки
      Услуги
      Пусконаладочные работы
      Сервис плазменных станков
      Оснастка для прессов
      Расходники
      Финансовые услуги
      Подбор станков
      Информация
      Скидки
      Новости
      Статьи
      Вопросы и ответы
      Наши контакты

      +7 (495) 640-76-26
      пн-пт 9:00 до 20:00
      Головинское шоссе 13 строение 1
      info@spk-stanki.ru
      © 2026 Все права защищены.
      Версия для печати