Станкопромышленная компания

Продажа и сервис станков для обработки металла. 
Москва
Москва
Челябинск
+7 (495) 640-76-26
пн-пт 9:00 до 20:00
Заказать звонок
Головинское шоссе 13 строение 1
Компания
  • О компании
  • Партнеры
  • Сотрудники
  • Реквизиты
Каталог
  • Гильотины, ножницы, угловырубные
    Гильотины, ножницы, угловырубные
    • Ручные станки
    • Гильотины электромеханические
    • Гильотины гидравлические
    • Пресс-ножницы
  • Листогибочные прессы
    Листогибочные прессы
    • Гидравлические вертикальные
    • Сервопрессы
    • Тандемные листогибы
    • Горизонтальные мини прессы
    • Инструмент для гибочного пресса
    • Автоматические панелегибы
  • Поворотные листогибы
    Поворотные листогибы
    • Ручные
    • Электромеханические
  • Вальцы
    Вальцы
    • 4-х валковые гидравлические вальцовочные станки
    • 3-х валковые гидравлические вальцовочные станки
    • 3-х валковые электромеханические вальцовочные станки
    • 3-х валковые ручные вальцы
  • Станки для воздуховодов
    Станки для воздуховодов
    • Линии гибки
    • Тоннельная сборка
    • Спирально-навивные
    • Сборщики сегментных отводов
    • Зиговочные станки
    • Фальцепрокатные станки
    • Фальцеосадочные станки
    • Нанесение ребер жесткости
    • Кромкогибы
  • Станки для фасадных кассет
    Станки для фасадных кассет
    • Резка заготовок
    • Вырубка углов
    • Гибка кассет
  • Лазерное оборудование
    Лазерное оборудование
    • Станки лазерной резки
    • Лазерные излучатели
    • Лазерная маркировка и гравировка
    • Лазерная сварка и очистка
  • Плазменная, газовая резка
    Плазменная, газовая резка
    • Станки плазменной резки
  • Ленточнопильные станки
    Ленточнопильные станки
    • Консольные ручные
    • Консольные с гидроразгрузкой
    • Консольные полуавтоматические
    • Двухколонные полуавтоматические
    • Консольные автоматические
    • Двухколонные автоматические
  • Трубогибы и профилегибы
    Трубогибы и профилегибы
    • Профилегибочные станки
    • Трубогибы бездорновые
    • Трубогибы с дорном
  • Штампование и перфорация
    Штампование и перфорация
    • Механические прессы
    • Координатно-пробивные станки
  • Металлорежущие cтанки
    Металлорежущие cтанки
    • Токарные станки
    • Фрезерные станки
    • Сверлильные станки
Сервис
  • Пусконаладочные работы
    • Пусконаладка станков
    • Обучение персонала
  • Сервис плазменных станков
    • Диагностика плазменной резки
    • Модернизация плазменной резки
    • Срочный ремонт станков плазменной резки
  • Оснастка для прессов
    • Листогибочный инструмент для прессов
  • Расходники
    • Ленточные полотна
    • Промышленные ножи
    • Расходники для лазера
    • Расходники для плазмы
  • Финансовые услуги
    • Лизинг станков
  • Подбор станков
    • Посещение производителя
Проекты
  • Cтанки для вентиляции
  • Вальцы
  • Гибочное оборудование
  • Гильотинные ножницы
  • Лазерная резка
  • Металлорежущие станки
  • Плазменная резка
  • Сервис
  • Трубогибочное, профилегибы
Информация
  • Акции
  • Новости
  • Статьи
  • Вопрос ответ
Контакты
    Станкопромышленная компания
    Компания
    • О компании
    • Партнеры
    • Сотрудники
    • Реквизиты
    Каталог
    • Гильотины, ножницы, угловырубные
      Гильотины, ножницы, угловырубные
      • Ручные станки
      • Гильотины электромеханические
      • Гильотины гидравлические
      • Пресс-ножницы
    • Листогибочные прессы
      Листогибочные прессы
      • Гидравлические вертикальные
      • Сервопрессы
      • Тандемные листогибы
      • Горизонтальные мини прессы
      • Инструмент для гибочного пресса
      • Автоматические панелегибы
    • Поворотные листогибы
      Поворотные листогибы
      • Ручные
      • Электромеханические
    • Вальцы
      Вальцы
      • 4-х валковые гидравлические вальцовочные станки
      • 3-х валковые гидравлические вальцовочные станки
      • 3-х валковые электромеханические вальцовочные станки
      • 3-х валковые ручные вальцы
    • Станки для воздуховодов
      Станки для воздуховодов
      • Линии гибки
      • Тоннельная сборка
      • Спирально-навивные
      • Сборщики сегментных отводов
      • Зиговочные станки
      • Фальцепрокатные станки
      • Фальцеосадочные станки
      • Нанесение ребер жесткости
      • Кромкогибы
    • Станки для фасадных кассет
      Станки для фасадных кассет
      • Резка заготовок
      • Вырубка углов
      • Гибка кассет
    • Лазерное оборудование
      Лазерное оборудование
      • Станки лазерной резки
      • Лазерные излучатели
      • Лазерная маркировка и гравировка
      • Лазерная сварка и очистка
    • Плазменная, газовая резка
      Плазменная, газовая резка
      • Станки плазменной резки
    • Ленточнопильные станки
      Ленточнопильные станки
      • Консольные ручные
      • Консольные с гидроразгрузкой
      • Консольные полуавтоматические
      • Двухколонные полуавтоматические
      • Консольные автоматические
      • Двухколонные автоматические
    • Трубогибы и профилегибы
      Трубогибы и профилегибы
      • Профилегибочные станки
      • Трубогибы бездорновые
      • Трубогибы с дорном
    • Штампование и перфорация
      Штампование и перфорация
      • Механические прессы
      • Координатно-пробивные станки
    • Металлорежущие cтанки
      Металлорежущие cтанки
      • Токарные станки
      • Фрезерные станки
      • Сверлильные станки
    Сервис
    • Пусконаладочные работы
      • Пусконаладка станков
      • Обучение персонала
    • Сервис плазменных станков
      • Диагностика плазменной резки
      • Модернизация плазменной резки
      • Срочный ремонт станков плазменной резки
    • Оснастка для прессов
      • Листогибочный инструмент для прессов
    • Расходники
      • Ленточные полотна
      • Промышленные ножи
      • Расходники для лазера
      • Расходники для плазмы
    • Финансовые услуги
      • Лизинг станков
    • Подбор станков
      • Посещение производителя
    Проекты
    • Cтанки для вентиляции
    • Вальцы
    • Гибочное оборудование
    • Гильотинные ножницы
    • Лазерная резка
    • Металлорежущие станки
    • Плазменная резка
    • Сервис
    • Трубогибочное, профилегибы
    Информация
    • Акции
    • Новости
    • Статьи
    • Вопрос ответ
    Контакты
      Trumph Wila
      • Москва
        • Назад
        • Города
        • Москва
        • Челябинск
      • Компания
        • Назад
        • Компания
        • О компании
        • Партнеры
        • Сотрудники
        • Реквизиты
      • Каталог
        • Назад
        • Каталог
        • Гильотины, ножницы, угловырубные
          • Назад
          • Гильотины, ножницы, угловырубные
          • Ручные станки
            • Назад
            • Ручные станки
            • Сабельные гильотины
            • Ручные гильотины
            • Вырубка угла
          • Гильотины электромеханические
          • Гильотины гидравлические
            • Назад
            • Гильотины гидравлические
            • MVD Inan модель B
            • MVD Inan модель C
            • UMS модель PRO
            • Stalex
          • Пресс-ножницы
        • Листогибочные прессы
          • Назад
          • Листогибочные прессы
          • Гидравлические вертикальные
            • Назад
            • Гидравлические вертикальные
            • MVD Inan A series
            • MVD Inan B series
            • MVD Inan C series
            • MVD Inan D series
            • UMS Basic-Bend series
            • UMS Comfort series
            • UMS Pro series
          • Сервопрессы
            • Назад
            • Сервопрессы
            • MVD Inan модель S
            • MVD Inan модель E
          • Тандемные листогибы
          • Горизонтальные мини прессы
          • Инструмент для гибочного пресса
            • Назад
            • Инструмент для гибочного пресса
            • Матрицы
            • Пуансоны
          • Автоматические панелегибы
        • Поворотные листогибы
          • Назад
          • Поворотные листогибы
          • Ручные
            • Назад
            • Ручные
            • Проходные
            • Сегментированные
          • Электромеханические
            • Назад
            • Электромеханические
            • Erbend MFA series
            • Erbend MFB series
            • Erbend MFC series
            • Erbend MFD series
            • Erbend MFE series
            • Erbend MFG series
            • Erbend SFA series
        • Вальцы
          • Назад
          • Вальцы
          • 4-х валковые гидравлические вальцовочные станки
            • Назад
            • 4-х валковые гидравлические вальцовочные станки
            • Вальцовочные станки Ostas
            • Вальцовочные станки Macbending
          • 3-х валковые гидравлические вальцовочные станки
            • Назад
            • 3-х валковые гидравлические вальцовочные станки
            • Вальцы Ostas
          • 3-х валковые электромеханические вальцовочные станки
            • Назад
            • 3-х валковые электромеханические вальцовочные станки
            • Вальцовочные станки Ostas SM
            • Вальцовочные станки Ostas SMR
            • Вальцовочные станки Ostas SBM
            • Вальцовочные станки Ostas ORM
            • Вальцовочные станки Ostas SMR-S
            • Вальцовочные станки Stalex ESR
          • 3-х валковые ручные вальцы
        • Станки для воздуховодов
          • Назад
          • Станки для воздуховодов
          • Линии гибки
          • Тоннельная сборка
          • Спирально-навивные
          • Сборщики сегментных отводов
          • Зиговочные станки
          • Фальцепрокатные станки
          • Фальцеосадочные станки
          • Нанесение ребер жесткости
          • Кромкогибы
        • Станки для фасадных кассет
          • Назад
          • Станки для фасадных кассет
          • Резка заготовок
            • Назад
            • Резка заготовок
            • Ручные гильотины
            • Электромеханические гильотины
            • Лазерная резка
          • Вырубка углов
            • Назад
            • Вырубка углов
            • Ручные
            • Гидравлические
          • Гибка кассет
            • Назад
            • Гибка кассет
            • Ручные листогибы
            • Кассетогибы
        • Лазерное оборудование
          • Назад
          • Лазерное оборудование
          • Станки лазерной резки
            • Назад
            • Станки лазерной резки
            • ZYMT
            • Senfeng
            • G-WEIKE
          • Лазерные излучатели
          • Лазерная маркировка и гравировка
          • Лазерная сварка и очистка
        • Плазменная, газовая резка
          • Назад
          • Плазменная, газовая резка
          • Станки плазменной резки
        • Ленточнопильные станки
          • Назад
          • Ленточнопильные станки
          • Консольные ручные
          • Консольные с гидроразгрузкой
          • Консольные полуавтоматические
          • Двухколонные полуавтоматические
          • Консольные автоматические
          • Двухколонные автоматические
        • Трубогибы и профилегибы
          • Назад
          • Трубогибы и профилегибы
          • Профилегибочные станки
            • Назад
            • Профилегибочные станки
            • Ручные
            • Электромеханика
            • Гидравлика
          • Трубогибы бездорновые
          • Трубогибы с дорном
            • Назад
            • Трубогибы с дорном
            • Полуавтоматические трубогибы
            • Полуавтоматические трубогибы NC
            • Автоматические трубогибы с ЧПУ
        • Штампование и перфорация
          • Назад
          • Штампование и перфорация
          • Механические прессы
          • Координатно-пробивные станки
        • Металлорежущие cтанки
          • Назад
          • Металлорежущие cтанки
          • Токарные станки
            • Назад
            • Токарные станки
            • Токарные станки ЧПУ
            • Токарные автоматы ЧПУ
            • Универсальные токарные станки
            • Тяжелые токарные станки
            • Настольные токарные станки
          • Фрезерные станки
            • Назад
            • Фрезерные станки
            • Фрезерные станки с ЧПУ
            • Универсальные фрезерные станки
            • Фрезерно-сверлильные станки
            • Вертикально-фрезерные станки
            • Горизонтально-фрезерные станки
          • Сверлильные станки
            • Назад
            • Сверлильные станки
            • Настольные сверлильные станки
            • Напольные сверлильные станки
            • Радиально-сверлильные станки
      • Сервис
        • Назад
        • Сервис
        • Пусконаладочные работы
          • Назад
          • Пусконаладочные работы
          • Пусконаладка станков
          • Обучение персонала
        • Сервис плазменных станков
          • Назад
          • Сервис плазменных станков
          • Диагностика плазменной резки
          • Модернизация плазменной резки
          • Срочный ремонт станков плазменной резки
        • Оснастка для прессов
          • Назад
          • Оснастка для прессов
          • Листогибочный инструмент для прессов
        • Расходники
          • Назад
          • Расходники
          • Ленточные полотна
          • Промышленные ножи
          • Расходники для лазера
          • Расходники для плазмы
        • Финансовые услуги
          • Назад
          • Финансовые услуги
          • Лизинг станков
        • Подбор станков
          • Назад
          • Подбор станков
          • Посещение производителя
      • Проекты
        • Назад
        • Проекты
        • Cтанки для вентиляции
        • Вальцы
        • Гибочное оборудование
        • Гильотинные ножницы
        • Лазерная резка
        • Металлорежущие станки
        • Плазменная резка
        • Сервис
        • Трубогибочное, профилегибы
      • Информация
        • Назад
        • Информация
        • Акции
        • Новости
        • Статьи
        • Вопрос ответ
      • Контакты
      • Главная
      • Оборудование
      • Листогибочные прессы
      • Инструмент для гибочного пресса
      • Матрицы
      • Trumph Wila

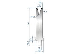
      Trumph Wila

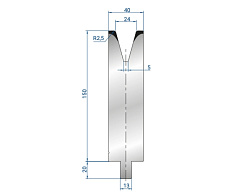
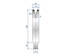
      Матрица Eurostamp 3200
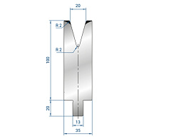
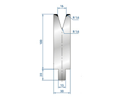
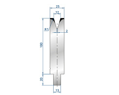
      Матрица Eurostamp 3200
      Наличие уточняйте

      Mat = 42CrMo4
      Max T/m = 100
      a = 86°

      Цена по запросу
      Заказать
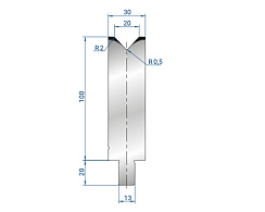
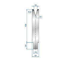
      Матрица Eurostamp 3201
      Матрица Eurostamp 3201
      Наличие уточняйте

      Mat = 42CrMo4
      Max T/m = 100
      a = 86°

      Цена по запросу
      Заказать
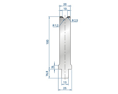
      Матрица Eurostamp 3202
      Матрица Eurostamp 3202
      Наличие уточняйте

      Mat = 42CrMo4
      Max T/m = 100
      a = 86°

      Цена по запросу
      Заказать
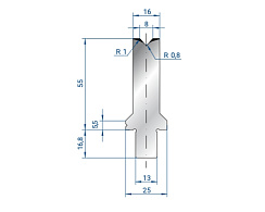
      Матрица Eurostamp 3203
      Матрица Eurostamp 3203
      Наличие уточняйте

      Mat = 42CrMo4
      Max T/m = 100
      a = 86°

      Цена по запросу
      Заказать
      Матрица Eurostamp 3204
      Матрица Eurostamp 3204
      Наличие уточняйте

      Mat = 42CrMo4
      Max T/m = 100
      a = 86°

      Цена по запросу
      Заказать
      Матрица Eurostamp 3205
      Матрица Eurostamp 3205
      Наличие уточняйте

      Mat = 42CrMo4
      Max T/m = 100
      a = 86°

      Цена по запросу
      Заказать
      Матрица Eurostamp 3215
      Матрица Eurostamp 3215
      Наличие уточняйте

      Mat = 42CrMo4
      Max T/m = 100
      a = 86°

      Цена по запросу
      Заказать
      Матрица Eurostamp 3216
      Матрица Eurostamp 3216
      Наличие уточняйте

      Mat = 42CrMo4
      Max T/m = 100
      a = 86°

      Цена по запросу
      Заказать
      Матрица Eurostamp 3217
      Матрица Eurostamp 3217
      Наличие уточняйте

      Mat = 42CrMo4
      Max T/m = 120
      a = 86°

      Цена по запросу
      Заказать
      Матрица Eurostamp 3218
      Матрица Eurostamp 3218
      Наличие уточняйте

      Mat = 42CrMo4
      Max T/m = 150
      a = 86°

      Цена по запросу
      Заказать
      Матрица Eurostamp 3225
      Матрица Eurostamp 3225
      Наличие уточняйте

      Mat = 42CrMo4
      Max T/m = 100
      a = 84°

      Цена по запросу
      Заказать
      Матрица Eurostamp 3226
      Матрица Eurostamp 3226
      Наличие уточняйте

      Mat = 42CrMo4
      Max T/m = 100
      a = 84°

      Цена по запросу
      Заказать
      Матрица Eurostamp 3227
      Матрица Eurostamp 3227
      Наличие уточняйте

      Mat = 42CrMo4
      Max T/m = 100
      a = 84°

      Цена по запросу
      Заказать
      Матрица Eurostamp 3228
      Матрица Eurostamp 3228
      Наличие уточняйте

      Mat = 42CrMo4
      Max T/m = 100
      a = 84°

      Цена по запросу
      Заказать
      Матрица Eurostamp 3244
      Матрица Eurostamp 3244
      Наличие уточняйте

      Mat = 42CrMo4
      Max T/m = 90
      a = 84°

      Цена по запросу
      Заказать
      Матрица Eurostamp 3229
      Матрица Eurostamp 3229
      Наличие уточняйте

      Mat = 42CrMo4
      Max T/m = 100
      a = 84°

      Цена по запросу
      Заказать
      Матрица Eurostamp 3230
      Матрица Eurostamp 3230
      Наличие уточняйте

      Mat = 42CrMo4
      Max T/m = 100
      a = 84°

      Цена по запросу
      Заказать
      Матрица Eurostamp 3231
      Матрица Eurostamp 3231
      Наличие уточняйте

      Mat = 42CrMo4
      Max T/m = 100
      a = 80°

      Цена по запросу
      Заказать
      Матрица Eurostamp 3232
      Матрица Eurostamp 3232
      Наличие уточняйте

      Mat = 42CrMo4
      Max T/m = 120
      a = 80°

      Цена по запросу
      Заказать
      Матрица Eurostamp 3233
      Матрица Eurostamp 3233
      Наличие уточняйте

      Mat = 42CrMo4
      Max T/m = 150
      a = 80°

      Цена по запросу
      Заказать
      Матрица Eurostamp 3234
      Матрица Eurostamp 3234
      Наличие уточняйте

      Mat = 42CrMo4
      Max T/m = 150
      a = 80°

      Цена по запросу
      Заказать
      Матрица Eurostamp 3219
      Матрица Eurostamp 3219
      Наличие уточняйте

      Mat = 42CrMo4
      Max T/m = 150
      a = 80°

      Цена по запросу
      Заказать
      Матрица Eurostamp 3220
      Матрица Eurostamp 3220
      Наличие уточняйте

      Mat = 42CrMo4
      Max T/m = 150
      a = 80°

      Цена по запросу
      Заказать
      Матрица Eurostamp 3221
      Матрица Eurostamp 3221
      Наличие уточняйте

      Mat = 42CrMo4
      Max T/m = 150
      a = 80°

      Цена по запросу
      Заказать
      Матрица Eurostamp 3222
      Матрица Eurostamp 3222
      Наличие уточняйте

      Mat = 42CrMo4
      Max T/m = 150
      a = 80°

      Цена по запросу
      Заказать
      Матрица Eurostamp 3223
      Матрица Eurostamp 3223
      Наличие уточняйте

      Mat = 42CrMo4
      Max T/m = 150
      a = 80°

      Цена по запросу
      Заказать
      Матрица Eurostamp 3224
      Матрица Eurostamp 3224
      Наличие уточняйте

      Mat = 42CrMo4
      Max T/m = 160
      a = 60°

      Цена по запросу
      Заказать
      Матрица Eurostamp 3206
      Матрица Eurostamp 3206
      Наличие уточняйте

      Mat = 42CrMo4
      Max T/m = 60
      a = 30°

      Цена по запросу
      Заказать
      Матрица Eurostamp 3207
      Матрица Eurostamp 3207
      Наличие уточняйте

      Mat = 42CrMo4
      Max T/m = 50
      a = 30°

      Цена по запросу
      Заказать
      Матрица Eurostamp 3208
      Матрица Eurostamp 3208
      Наличие уточняйте

      Mat = 42CrMo4
      Max T/m = 50
      a = 30°

      Цена по запросу
      Заказать
      Матрица Eurostamp 3209
      Матрица Eurostamp 3209
      Наличие уточняйте

      Mat = 42CrMo4
      Max T/m = 56
      a = 30°

      Цена по запросу
      Заказать
      Матрица Eurostamp 3210
      Матрица Eurostamp 3210
      Наличие уточняйте

      Mat = 42CrMo4
      Max T/m = 68
      a = 30°

      Цена по запросу
      Заказать
      Матрица Eurostamp 3211
      Матрица Eurostamp 3211
      Наличие уточняйте

      Mat = 42CrMo4
      Max T/m = 50
      a = 30°

      Цена по запросу
      Заказать
      Матрица Eurostamp 3212
      Матрица Eurostamp 3212
      Наличие уточняйте

      Mat = 42CrMo4
      Max T/m = 55
      a = 30°

      Цена по запросу
      Заказать
      Матрица Eurostamp 3213
      Матрица Eurostamp 3213
      Наличие уточняйте

      Mat = 42CrMo4
      Max T/m = 85
      a = 30°

      Цена по запросу
      Заказать
      Матрица Eurostamp 3214
      Матрица Eurostamp 3214
      Наличие уточняйте

      Mat = 42CrMo4
      Max T/m = 73
      a = 30°

      Цена по запросу
      Заказать
      Матрица Eurostamp 3235
      Матрица Eurostamp 3235
      Наличие уточняйте

      Mat = 42CrMo4
      Max T/m = 100
      a = 30°

      Цена по запросу
      Заказать
      Матрица Eurostamp 3236
      Матрица Eurostamp 3236
      Наличие уточняйте

      Mat = 42CrMo4
      Max T/m = 45
      a = 30°

      Цена по запросу
      Заказать
      Матрица Eurostamp 3237
      Матрица Eurostamp 3237
      Наличие уточняйте

      Mat = 42CrMo4
      Max T/m = 40
      a = 30°

      Цена по запросу
      Заказать
      Матрица Eurostamp 3238
      Матрица Eurostamp 3238
      Наличие уточняйте

      Mat = 42CrMo4
      Max T/m = 30
      a = 30°

      Цена по запросу
      Заказать
      Матрица Eurostamp 3239
      Матрица Eurostamp 3239
      Наличие уточняйте

      Mat = 42CrMo4
      Max T/m = 40
      a = 30°

      Цена по запросу
      Заказать
      Матрица Eurostamp 3240
      Матрица Eurostamp 3240
      Наличие уточняйте

      Mat = 42CrMo4
      Max T/m = 40
      a = 30°

      Цена по запросу
      Заказать
      Матрица Eurostamp 3123
      Матрица Eurostamp 3123
      Наличие уточняйте

      Mat = C45
      Max T/m = 100
      a = 86°

      Цена по запросу
      Заказать
      Матрица Eurostamp 3124
      Матрица Eurostamp 3124
      Наличие уточняйте

      Mat = C45
      Max T/m = 100
      a = 86°

      Цена по запросу
      Заказать
      Матрица Eurostamp 3125
      Матрица Eurostamp 3125
      Наличие уточняйте

      Mat = C45
      Max T/m = 100
      a = 86°

      Цена по запросу
      Заказать
      Матрица Eurostamp 3126
      Матрица Eurostamp 3126
      Наличие уточняйте

      Mat = C45
      Max T/m = 100
      a = 86°

      Цена по запросу
      Заказать
      Матрица Eurostamp 3127
      Матрица Eurostamp 3127
      Наличие уточняйте

      Mat = C45
      Max T/m = 100
      a = 86°

      Цена по запросу
      Заказать
      Матрица Eurostamp 3128
      Матрица Eurostamp 3128
      Наличие уточняйте

      Mat = C45
      Max T/m = 100
      a = 86°

      Цена по запросу
      Заказать
      Матрица Eurostamp 3129
      Матрица Eurostamp 3129
      Наличие уточняйте

      Mat = C45
      Max T/m = 100
      a = 86°

      Цена по запросу
      Заказать
      Матрица Eurostamp 3130
      Матрица Eurostamp 3130
      Наличие уточняйте

      Mat = C45
      Max T/m = 100
      a = 86°

      Цена по запросу
      Заказать
      Матрица Eurostamp 3131
      Матрица Eurostamp 3131
      Наличие уточняйте

      Mat = C45
      Max T/m = 100
      a = 86°

      Цена по запросу
      Заказать
      Матрица Eurostamp 3132
      Матрица Eurostamp 3132
      Наличие уточняйте

      Mat = C45
      Max T/m = 100
      a = 86°

      Цена по запросу
      Заказать
      Матрица Eurostamp 3133
      Матрица Eurostamp 3133
      Наличие уточняйте

      Mat = C45
      Max T/m = 100
      a = 80°

      Цена по запросу
      Заказать
      Матрица Eurostamp 3134
      Матрица Eurostamp 3134
      Наличие уточняйте

      Mat = C45
      Max T/m = 100
      a = 80°

      Цена по запросу
      Заказать
      Матрица Eurostamp 3135
      Матрица Eurostamp 3135
      Наличие уточняйте

      Mat = C45
      Max T/m = 100
      a = 80°

      Цена по запросу
      Заказать
      Матрица Eurostamp 3136
      Матрица Eurostamp 3136
      Наличие уточняйте

      Mat = C45
      Max T/m = 50
      a = 30°

      Цена по запросу
      Заказать
      Матрица Eurostamp 3137
      Матрица Eurostamp 3137
      Наличие уточняйте

      Mat = C45
      Max T/m = 40
      a = 30°

      Цена по запросу
      Заказать
      Матрица Eurostamp 3138
      Матрица Eurostamp 3138
      Наличие уточняйте

      Mat = C45
      Max T/m = 40
      a = 30°

      Цена по запросу
      Заказать
      Матрица Eurostamp 3139
      Матрица Eurostamp 3139
      Наличие уточняйте

      Mat = C45
      Max T/m = 50
      a = 30°

      Цена по запросу
      Заказать
      Матрица Eurostamp 3140
      Матрица Eurostamp 3140
      Наличие уточняйте

      Mat = C45
      Max T/m = 45
      a = 30°

      Цена по запросу
      Заказать
      Матрица Eurostamp 3141
      Матрица Eurostamp 3141
      Наличие уточняйте

      Mat = C45
      Max T/m = 50
      a = 30°

      Цена по запросу
      Заказать
      Матрица Eurostamp 3142
      Матрица Eurostamp 3142
      Наличие уточняйте

      Mat = C45
      Max T/m = 50
      a = 30°

      Цена по запросу
      Заказать
      Матрица Eurostamp 3143
      Матрица Eurostamp 3143
      Наличие уточняйте

      Mat = C45
      Max T/m = 100
      a = 86°

      Цена по запросу
      Заказать
      Матрица Eurostamp 3144
      Матрица Eurostamp 3144
      Наличие уточняйте

      Mat = C45
      Max T/m = 100
      a = 86°

      Цена по запросу
      Заказать
      Матрица Eurostamp 3145
      Матрица Eurostamp 3145
      Наличие уточняйте

      Mat = C45
      Max T/m = 100
      a = 86°

      Цена по запросу
      Заказать
      Матрица Eurostamp 3146
      Матрица Eurostamp 3146
      Наличие уточняйте

      Mat = C45
      Max T/m = 100
      a = 86°

      Цена по запросу
      Заказать
      Матрица Eurostamp 3147
      Матрица Eurostamp 3147
      Наличие уточняйте

      Mat = C45
      Max T/m = 100
      a = 86°

      Цена по запросу
      Заказать
      Матрица Eurostamp 3148
      Матрица Eurostamp 3148
      Наличие уточняйте

      Mat = C45
      Max T/m = 100
      a = 86°

      Цена по запросу
      Заказать
      Матрица Eurostamp 3149
      Матрица Eurostamp 3149
      Наличие уточняйте

      Mat = C45
      Max T/m = 100
      a = 86°

      Цена по запросу
      Заказать
      Матрица Eurostamp 3150
      Матрица Eurostamp 3150
      Наличие уточняйте

      Mat = C45
      Max T/m = 50
      a = 30°

      Цена по запросу
      Заказать
      Матрица Eurostamp 3151
      Матрица Eurostamp 3151
      Наличие уточняйте

      Mat = C45
      Max T/m = 40
      a = 30°

      Цена по запросу
      Заказать
      Матрица Eurostamp 3152
      Матрица Eurostamp 3152
      Наличие уточняйте

      Mat = C45
      Max T/m = 40
      a = 30°

      Цена по запросу
      Заказать
      Матрица Eurostamp 3153
      Матрица Eurostamp 3153
      Наличие уточняйте

      Mat = C45
      Max T/m = 50
      a = 30°

      Цена по запросу
      Заказать
      Матрица Eurostamp 3154
      Матрица Eurostamp 3154
      Наличие уточняйте

      Mat = C45
      Max T/m = 45
      a = 30°

      Цена по запросу
      Заказать
      Матрица Eurostamp 3155
      Матрица Eurostamp 3155
      Наличие уточняйте

      Mat = C45
      Max T/m = 50
      a = 30°

      Цена по запросу
      Заказать
      Матрица Eurostamp 3156
      Матрица Eurostamp 3156
      Наличие уточняйте

      Mat = C45
      Max T/m = 50
      a = 30°

      Цена по запросу
      Заказать
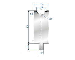
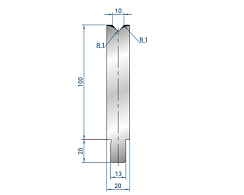
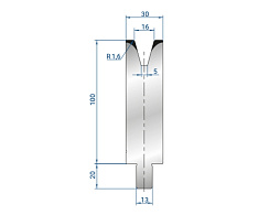
      Матрица Eurostamp 3270
      Матрица Eurostamp 3270
      Наличие уточняйте

      Mat = 42 CrMo4
      H = 100.00
      Max T/m = 120
      a = 86°

      Цена по запросу
      Заказать
      Матрица Eurostamp 3271
      Матрица Eurostamp 3271
      Наличие уточняйте

      Mat = 42 CrMo4
      H = 100.00
      Max T/m = 120
      a = 86°

      Цена по запросу
      Заказать
      Матрица Eurostamp 3272
      Матрица Eurostamp 3272
      Наличие уточняйте

      Mat = 42 CrMo4
      H = 100.00
      Max T/m = 120
      a = 86°

      Цена по запросу
      Заказать
      Матрица Eurostamp 3273
      Матрица Eurostamp 3273
      Наличие уточняйте

      Mat = 42 CrMo4
      H = 100.00
      Max T/m = 120
      a = 86°

      Цена по запросу
      Заказать
      Матрица Eurostamp 3274
      Матрица Eurostamp 3274
      Наличие уточняйте

      Mat = 42 CrMo4
      H = 100.00
      Max T/m = 120
      a = 86°

      Цена по запросу
      Заказать
      Матрица Eurostamp 3275
      Матрица Eurostamp 3275
      Наличие уточняйте

      Mat = 42 CrMo4
      H = 100.00
      Max T/m = 120
      a = 86°

      Цена по запросу
      Заказать
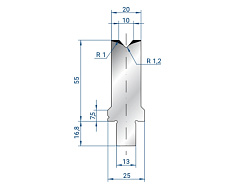
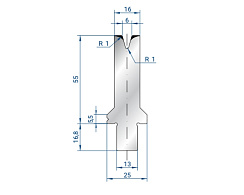
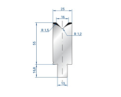
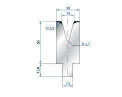
      Матрица Eurostamp 3250
      Матрица Eurostamp 3250
      Наличие уточняйте

      Mat = 42 CrMo4
      H = 55.00
      Max T/m = 120
      a = 86°

      Цена по запросу
      Заказать
      Матрица Eurostamp 3251
      Матрица Eurostamp 3251
      Наличие уточняйте

      Mat = 42 CrMo4
      H = 55.00
      Max T/m = 120
      a = 86°

      Цена по запросу
      Заказать
      Матрица Eurostamp 3252
      Матрица Eurostamp 3252
      Наличие уточняйте

      Mat = 42 CrMo4
      H = 55.00
      Max T/m = 120
      a = 86°

      Цена по запросу
      Заказать
      Матрица Eurostamp 3253
      Матрица Eurostamp 3253
      Наличие уточняйте

      Mat = 42 CrMo4
      H = 55.00
      Max T/m = 120
      a = 86°

      Цена по запросу
      Заказать
      Матрица Eurostamp 3254
      Матрица Eurostamp 3254
      Наличие уточняйте

      Mat = 42 CrMo4
      H = 55.00
      Max T/m = 120
      a = 86°

      Цена по запросу
      Заказать
      Матрица Eurostamp 3255
      Матрица Eurostamp 3255
      Наличие уточняйте

      Mat = 42 CrMo4
      H = 55.00
      Max T/m = 120
      a = 86°

      Цена по запросу
      Заказать
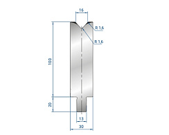
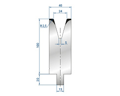
      Матрица Eurostamp 3276
      Матрица Eurostamp 3276
      Наличие уточняйте

      Mat = 42 CrMo4
      H = 100.00
      Max T/m = 125
      a = 80°

      Цена по запросу
      Заказать
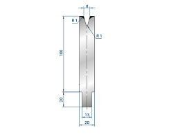
      Матрица Eurostamp 3280
      Матрица Eurostamp 3280
      Наличие уточняйте

      Mat = 42 CrMo4
      H = 100.00
      Max T/m = 40
      a = 30°

      Цена по запросу
      Заказать
      Матрица Eurostamp 3281
      Матрица Eurostamp 3281
      Наличие уточняйте

      Mat = 42 CrMo4
      H = 100.00
      Max T/m = 35
      a = 30°

      Цена по запросу
      Заказать
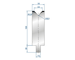
      Матрица Eurostamp 3282
      Матрица Eurostamp 3282
      Наличие уточняйте

      Mat = 42 CrMo4
      H = 100.00
      Max T/m = 55
      a = 30°

      Цена по запросу
      Заказать
      Матрица Eurostamp 3283
      Матрица Eurostamp 3283
      Наличие уточняйте

      Mat = 42 CrMo4
      H = 100.00
      Max T/m = 40
      a = 30°

      Цена по запросу
      Заказать
      Матрица Eurostamp 3284
      Матрица Eurostamp 3284
      Наличие уточняйте

      Mat = 42 CrMo4
      H = 100.00
      Max T/m = 60
      a = 30°

      Цена по запросу
      Заказать
      Матрица Eurostamp 3285
      Матрица Eurostamp 3285
      Наличие уточняйте

      Mat = 42 CrMo4
      H = 100.00
      Max T/m = 55
      a = 30°

      Цена по запросу
      Заказать
      Матрица Eurostamp 3286
      Матрица Eurostamp 3286
      Наличие уточняйте

      Mat = 42 CrMo4
      H = 100.00
      Max T/m = 45
      a = 30°

      Цена по запросу
      Заказать
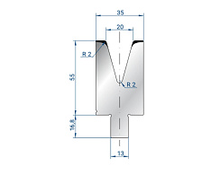
      Матрица Eurostamp 3260
      Матрица Eurostamp 3260
      Наличие уточняйте

      Mat = 42 CrMo4
      H = 55.00
      Max T/m = 40
      a = 30°

      Цена по запросу
      Заказать
      Матрица Eurostamp 3261
      Матрица Eurostamp 3261
      Наличие уточняйте

      Mat = 42 CrMo4
      H = 55.00
      Max T/m = 35
      a = 30°

      Цена по запросу
      Заказать
      Матрица Eurostamp 3262
      Матрица Eurostamp 3262
      Наличие уточняйте

      Mat = 42 CrMo4
      H = 55.00
      Max T/m = 55
      a = 30°

      Цена по запросу
      Заказать
      Матрица Eurostamp 3263
      Матрица Eurostamp 3263
      Наличие уточняйте

      Mat = 42 CrMo4
      H = 55.00
      Max T/m = 40
      a = 30°

      Цена по запросу
      Заказать
      Матрица Eurostamp 3264
      Матрица Eurostamp 3264
      Наличие уточняйте

      Mat = 42 CrMo4
      H = 55.00
      Max T/m = 60
      a = 30°

      Цена по запросу
      Заказать
      Матрица Eurostamp 3265
      Матрица Eurostamp 3265
      Наличие уточняйте

      Mat = 42 CrMo4
      H = 55.00
      Max T/m = 55
      a = 30°

      Цена по запросу
      Заказать
      • 1
      • По стр.
      • Гильотины, ножницы, угловырубные
      • Листогибочные прессы
        • Гидравлические вертикальные
        • Сервопрессы
        • Тандемные листогибы
        • Горизонтальные мини прессы
        • Инструмент для гибочного пресса
          • Матрицы
            • Amada Promecam
            • Trumph Wila
          • Пуансоны
        • Автоматические панелегибы
      • Поворотные листогибы
      • Вальцы
      • Станки для воздуховодов
      • Станки для фасадных кассет
      • Лазерное оборудование
      • Плазменная, газовая резка
      • Ленточнопильные станки
      • Трубогибы и профилегибы
      • Штампование и перфорация
      • Металлорежущие cтанки
      Фильтр по параметрам
      Статус
      Максимальная нагрузка, тонн/метр
      Ширина ручья, мм
      Угол матрицы, °
      Радиус матрицы, мм
      Высота матрицы, мм
      Выбрано 0 Показать
      Выбрано 0 Показать
      Подписывайтесь на новости и акции:
      Компания
      О компании
      Партнеры
      Сотрудники
      Реквизиты
      Каталог
      Гильотины, ножницы, угловырубные
      Листогибочные прессы
      Поворотные листогибы
      Вальцы
      Станки для воздуховодов
      Станки для фасадных кассет
      Лазерное оборудование
      Плазменная, газовая резка
      Ленточнопильные станки
      Трубогибы и профилегибы
      Штампование и перфорация
      Металлорежущие cтанки
      Услуги
      Пусконаладочные работы
      Сервис плазменных станков
      Оснастка для прессов
      Расходники
      Финансовые услуги
      Подбор станков
      Информация
      Скидки
      Новости
      Статьи
      Вопросы и ответы
      Наши контакты

      +7 (495) 640-76-26
      пн-пт 9:00 до 20:00
      Головинское шоссе 13 строение 1
      info@spk-stanki.ru
      © 2026 Все права защищены.
      Версия для печати